
La sensibilidad de la luz de la calle también se puede ajustar. En nuestro proyecto hemos utilizado cuatro LED para la indicación de la bombilla, pero para alta potencia de conmutación se puede conectar relé (interruptor electromagnético) en la salida del pin 3 del IC 555. Entonces será posible encender / apagar los aparatos eléctricos conectados todos el camino a través del relé.
Principio:
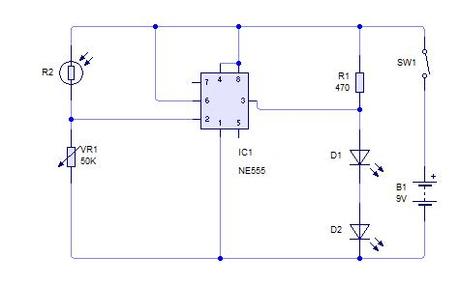
Este circuito utiliza un temporizador populares IC 555 IC 555 se conecta como comparador con pin-6 conectado con el carril positivo, la salida es alta (1) cuando el pasador del gatillo 2 es menor que en 1/3o nivel de la tensión de alimentación. . Por el contrario la salida pasa a nivel bajo (0) cuando está sobre el nivel del 1/3o. Tan pequeño cambio en el voltaje de pin-2 es suficiente para cambiar el nivel de salida (pin-3) de 1 a 0 y de 0 a 1. La salida tiene sólo dos estados de alta y baja y no puede permanecer en cualquier etapa intermedia. Está alimentado por una batería de 6V para uso portátil. El circuito es económica en consumo energético. Pin 4, 6 y 8 se conecta a la alimentación positiva y el pin 1 está conectado a tierra.Para detectar el presente de un objeto que hemos utilizado LDR y una fuente de luz.LDR es un tipo especial de resistencia cuyo valor depende de la intensidad de la luz que está cayendo en él. Tiene una resistencia de alrededor de 1 mega-ohm cuando en la oscuridad total, pero una resistencia de sólo alrededor de 5k ohmios cuando el brillo iluminado. Responde a una gran parte del espectro de luz. Hemos hecho un circuito divisor de potencial con LDR y 100K de resistencia variable conectada en serie. Sabemos que el voltaje es directamente proporcional a la conductancia de manera más voltaje vamos a obtener de este divisor cuando LDR está recibiendo luz y baja tensión en la oscuridad. Este voltaje dividido se da a la patilla 2 de IC 555. Resistencia variable se ajusta de manera que cruza potencial de 1/3rd en brillo y caiga por debajo de 1/3rd en la oscuridad. Sensibilidad se puede ajustar por esta resistencia variable. Tan pronto como LDR oscurece el voltaje de la clavija 2 gotas de 1/3o de la tensión de alimentación y el pasador 3 consigue alta y LED o zumbador que está conectado a la salida se activa.

Diagrama del circuito de la Luz automática de la calle
Componente utilizado:
- 9v batería con la tira
- Interruptor
- LDR (Light Dependiendo Resistencia)
- IC NE555 con Base
- LED (Light Emitting Diode) de 3 a 6 piezas.
- Resistencia variable de 47 KOhmios
- PCB (Printed Circuit Board de 555 o junta Vero.

diagrama de elementos

pcb imprimible
