Saludos amigos lectores, en esta nueva entrada de hoy vamos a explicar cómo resolver una avería bastante frecuente que se reproduce en furgones del grupo PSA como la Peugeot Boxer o la Citroën Jumper.

Los síntomas que se reproducen en esta ocasión en este tipo de vehículos son los siguientes:
- Las luces de cruce no funcionan, esporádicamente.
- Las luces de cruce no funcionan, permanentemente.
Las causas que se originen estos síntomas pueden ser:
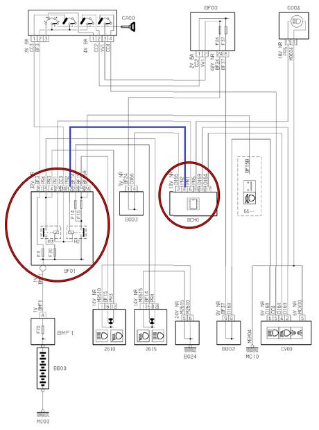
- Defecto en el cableado entre la caja de fusibles y relés del vano motor BF01 y el conjunto de interruptores de la consola central BCM0.
- Defecto del módulo de interruptores BCM0 de la consola central.

Para poder - Primeramente, comprobar el estado de los solucionar esta avería se han de realizar las siguientes comprobaciones:
fusibles F14 y F15 de la caja de fusibles y relés del vano motor BF01 y, si es necesario, sustituir.

Una vez comprobados estos dos fusibles, - Comprobar que tenga - Comprobar la - Comprobar la realizar las siguientes comprobaciones en el cableado y conectores y reparar los posibles fallos que se observen:
masa el pin 12 del conector de 32 vías marrón de la caja de fusibles y relés del vano motor BF01.
alimentación de positivo del pin 2 del conector de 18 vías negro del módulo de interruptores BCM0 de la consola central.
continuidad del cable desde el pin 12 del conector de 32 vías marrón de la caja de fusibles y relés del vano motor BF01 hasta el pin 8 del conector de 18 vías negro del módulo de interruptores BCM0 de la consola central si las comprobaciones realizadas anteriormente no son satisfactorias.


Cuando ya se han hecho todas las comprobaciones descritas anteriormente y se observa que los síntomas no han desaparecido, no queda otra que sustituir el módulo de interruptores BCM0 de la consola central.

IMPORTANTE: Existen 12 referencias diferentes del módulo de interruptores BCM0 de la consola central. Comprobar que la referencia empieza por 6554.XX y verificar que los dos últimos caracteres corresponden al módulo de interruptores BCM0 de la consola central que equipa el vehículo.
Esto ha sido todo por esta vez. Espero que os haya gustado y lo más importante que os haya sido útil. Hasta la próxima!

