Saludos.
Espero se encuentren muy bien estimados lectores, A continuación, les comparto una entrada de mi blog Tecnología Eléctrica.
-----------------------------------------------------------------------------
Métodos de arranque para motores eléctricos.
En la actualidad los motores literalmente mueven las industrias y estos además son los responsables por una gran porción de toda la energía que se utiliza en los diversos países del mundo, generando cerca de 40% del consumo industrial. Por lo tanto, todo cuidado con la selección adecuada de los mismos y su método de arranque es esencial para la eficacia en el uso de la energía, reduciendo los gastos y encima de todo, el mantenimiento de todo el sistema.
Los métodos de arranque de motores eléctricos son prácticas esenciales en la ingeniería eléctrica. Existen diversas formas de iniciar un motor, cada una con sus ventajas y desventajas en relación con la eficiencia energética, la corriente de arranque, y otros factores eléctricos críticos. En esta entrada, exploraremos los distintos métodos de arranque, su eficiencia y el impacto que tienen en la operación eléctrica.
Es por esto que nos podemos preguntar: ¿Sabía usted que la escogencia del método de partida puede impactar en la eficiencia y la durabilidad de su motor?
Más allá de esta premisa inicial para poder elegir el método de arranque de un motor eléctrico, tenemos que conocer que en este intervienen variables eléctricas que están asociadas a la dinámica del sistema, como el voltaje y la corriente, las cuales deben ser controladas para evitar oscilaciones del sistema. De ahí la importancia de contar con la información sobre la naturaleza de las magnitudes que intervienen en el proceso. Con la información obtenida se diseñan estrategias de control que ayudan a conseguir un sistema más eficiente.
¿Qué es el arranque de Motores eléctricos?
El arranque de motores se refiere al proceso de iniciar la operación de un motor eléctrico, siempre que la energía necesaria para hacer girar el rotor a partir del estado de reposo. Es un paso crítico en cualquier sistema eléctrico que involucra motores, pues la influye directamente en la eficiencia operacional y en la vida útil del motor.
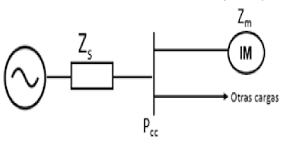
Figura N° 1: Esquema de conexión del motor en punto común con otras cargas

Fuente: Meléndez M. (2025)
Importancia del arranque eficiente de los motores eléctricos.
Un arranque eficiente no se reduce al desgaste y el estrés en el motor, además ayuda también a minimizar el consumo de energía y los costos de manutención. Además de eso, un arranque suave y controlado puede evitar picos de corriente que puedan afectar otros equipamientos eléctricos conectados al mismo sistema.
La corriente de arranque ocurre porque el motor solicita de la red de seis a diez veces la corriente necesaria para producir el torque de arranque. La caída de tensión debido al arranque de grandes motores puede ser teóricamente calculadas de manera similar a las causadas por faltas en el sistema. En la Figura 1 se muestra el circuito equivalente para la partida del motor en un punto de acoplamiento común (point of common coupling) PCC. La tensión en el PCC es dada por la ecuación 1:
Ecuación N° 1:
Vsag = ( Zm / (Zs - Zm)) X E
Dónde: Zm es la Impedancia del motor objeto de estudio
Zs: en la Impedancia de la fuente.
E: Tensión de la fuente
El fundamento principal de seleccionar adecuadamente el método de arranque es la tensión, debido a lo antes expuesto, ya que los arranques de motores de inducción eléctricos trifásicos siempre fue un problema para las industrias y empresas distribuidoras de energía.
Probablemente, el efecto del arranque de motores más conocido y estudiado es la caída de tensión experimentada por un sistema eléctrico industrial como resultado de la partida de grandes motores. Durante ese arranque, los motores eléctricos solicitan de la red de alimentación una corriente de valor elevado, que, en estas condiciones, el circuito, que, inicialmente fuera proyectado para transportar la potencia requerida por el motor, está solicitando ahora una corriente de accionamiento mayor durante un cierto período de tempo. En consecuencia, el sistema queda sometido a una caída de tensión muy superior a los límites establecidos, pudiendo provocar serios problemas operacionales en los equipamientos de control y protección, iluminación y en el sistema eléctrico de una forma general.
En la siguiente tabla se pueden observar los valores porcentuales de voltaje bajo los cuales los motores y varios dispositivos de control pueden funcionar incorrectamente por caída de tensión en la instalación.
Tabla N° 1 Consecuencias de caídas de tensión.
Tensión % de Vnm
Consecuencias
85
Voltaje por debajo del cual los contactores de clase 600 V no funcionan
76
Tensión en la que los motores de inducción y síncronos dejan de funcionar al operar al 115% de su potencia nominal.
71
Tensión en la que los motores de inducción dejan de funcionar al operar a plena carga
67
Tensión en la que los motores síncronos dejan de operar
Realizado: Meléndez M. (2025) tomado de: https://www.osetoreletrico.com.br/queda-de-tensao-na-partida-de-motores-em-sistemas-industriais/
Método de arranque en corriente alterna (CA)
Arrancar un motor eléctrico no es simplemente una cuestión de encender un interruptor. Los métodos de arranque de motores eléctricos implican una serie de técnicas diseñadas para poner en marcha el motor de manera segura y eficiente. En pocas palabras este una técnica empleada para poner en funcionamiento un motor eléctrico desde el estado de reposo hasta alcanzar su velocidad nominal, controlando factores como la corriente de arranque y el par motor. Existen varios métodos según el tipo de motor y la aplicación.
Según Vargas y Herrera (2021) Los métodos de arranque en motores de corriente alterna consisten en estrategias para reducir la corriente de irrupción que se produce al conectar el motor a la red, evitando caídas de tensión y protegiendo tanto al motor como al sistema eléctrico. Estos métodos son fundamentales para garantizar un arranque seguro, eficiente y con el menor impacto posible sobre la red eléctrica."
Existen diversos métodos y soluciones para el arranque de los motores de inducción trifásico que son los caballitos de batalla en las empresas, estos son: Arranque directo, Arranque a tensión reducida, arranque suave, otros.
Actualmente, existen diversas formas de accionamiento de los motores de inducción trifásicos (MIT), siendo algunos bien simples de presentar por su bajo costo de instalación, a pesar de ser altamente limitadas cuando se considera el factor del “control de velocidad”, por ejemplo.
Por otro lado, existen los sistemas de accionamiento más sofisticados, pero con un costo de instalación más elevado, pero, con una alta capacidad de regulación de la rotación durante la partida, régimen de servicio y parada del MIT.
Algunos de los diversos sistemas de accionamientos existentes en la actualidad son presentados a través de diagramas eléctricos en dos formas de clasificación, podemos hablar según su operación (Manuales, semiautomáticos y automáticos) y según su tensión de arranque aquí llamados como Convencionales y Electrónicos.
A continuación, se presenta la clasificación según su funcionamiento:
Método de arranque manual de un motor en corriente alterna (CA)
Es aquel donde el operario activa directamente el encendido del motor mediante un dispositivo como un interruptor, pulsador o arrancador simple, sin intervención automática. Este método se usa en sistemas sencillos o de baja potencia.
El arranque manual en motores de corriente alterna Según Barrera y González (2020) consiste en la conexión directa del motor a la red eléctrica mediante el uso de un interruptor o contactor operado por el usuario. Este tipo de arranque es común en aplicaciones donde no se requiere automatización y el control lo ejerce un operario capacitado.
Método de arranque semiautomático de un motor en corriente alterna (CA)
Este tipo de control es aquel donde el usuario inicia el arranque mediante un pulsador u otro dispositivo, pero el sistema incluye componentes eléctricos (como relés, contactores o temporizadores) que completan o mantienen automáticamente el proceso sin que el usuario deba intervenir continuamente.
Según Ríos y Camacho (2021) El arranque semiautomático de motores en corriente alterna combina la intervención del operario para iniciar el proceso y la acción de elementos electromecánicos que mantienen o completan la operación. Este tipo de arranque mejora la seguridad y reduce la dependencia del usuario durante el funcionamiento del motor.
Para ejemplificar los sistemas Básicos o Convencionales, se citan cuatro tipos específicos, de baja complejidad y fácil compresión, además, por otro lado, podemos ejemplificar los sistemas Avanzados o Electrónicos, donde es válido citar dos tipos específicos, según su complejidad:
Figura N° 2: Clasificación de tipos de arranque de motores eléctricos según la tensión.

Fuente: Meléndez M. (2025)
✅ Arranque convencional directo: En este tipo de arranque el motor es alimentado directamente por la red eléctrica. Su configuración es simple ya que apenas sufrirá interferencia de dispositivos de seccionamiento y protección como contactores, disyuntores y relé térmico,
Este tipo de arranque puede generar problemas en la red y sobrecarga en el sistema. Es el método menos eficaz, generando un consumo mayor, aumenta el desgaste y costo de mantenimiento de los equipos.
✅ Estrella - Triángulo: Este tipo de arranque es ideal para motores de gran potencia. El funcionamiento durante su arranque es que inicia en estrella (reduciendo la tensión) y, después de algunos segundos, cambia para la conexión triángulo, proporcionando mayor torque al tener la tensión nominal entre sus terminales.
En este tipo de partida conseguimos reducir los picos de corriente en el arranque del motor y únicamente puede utilizarse en motores que permitan acceder a los seis bornes de extremo de los bobinados y que al estar en régimen trabajen conectados en triángulo.
Su ventaja es la reducción de aproximadamente el 33% en la corriente de arranque, en relación al arranque directo.
✅ Autotransformador: Para el arranque se utiliza un autotransformador para reducir la tensión de partida, permitiendo un arranque suave e controlado. La principal ventaja es el alto par de arranque, que puede alcanzar el 64 % del par de arranque directo cuando el devanado se toma al 80 %.
✅ Resistencias o reactancias intercaladas: El arranque de un motor eléctrico mediante resistencias o reactancias intercaladas se realiza para reducir la corriente de arranque, que puede ser muy alta, especialmente en motores de inducción con rotor de jaula de ardilla. Este método implica insertar resistencias o reactancias en serie con el devanado del motor durante el arranque, y luego retirarlas gradualmente a medida que el motor acelera hasta alcanzar su velocidad nominal.
✅ Soft Starter: Es un dispositivo electrónico que controla la tensión y la corriente de arranque, evitando picos y prolongando a vida útil del motor y protegiendo la red eléctrica contra corrientes de partida elevadas.
✅ Inversor de frecuencia: Básicamente, el permite el control de la velocidad de un motor eléctrico trifásico de modo electrónico sin partes mecánicas como poleas, correas, entre otros., Pero precisamente este equipo puede alterar la frecuencia y tensión de la alimentación del motor, que por consecuencia nos permite controlar la velocidad y potencia consumida por el motor, es ideal para aplicaciones que exigen flexibilidad.
A continuación, se pueden observar las curvas características de las corrientes de arranque para cada tipo de arranque de los motores eléctricos.
Figura N° 3: Curvas características de la corriente de arranque según el método de arranque del motor eléctrico.

Tomado de: https://blog.fsind.com.br/2024/06/10/tipos-de-partida-para-motores-eletricos-trifasicos/
Ayúdanos a crecer
Por último, si estas decido aprender en los conocimientos de tu carrera profesional, es probable que los enlaces te ayuden con información sobre diversos temas de la misma, consúltalos y sigue mi blog.
Además, si eres un lector habitual de este blog y te gusta su contenido quizás puedas contribuir para su mantenimiento. Cualquier cantidad por pequeña que sea será bien recibida.
Hasta la próxima. ¡COMENTA Y COMPARTE! Estaré atento a tus consultas y comentarios.
Referencias Bibliográficas
Fuente Vargas, L., & Herrera, M. (2021). Sistemas de control eléctrico industrial. Editorial Alfaomega
Barrera, J., & González, R. (2020). Electrotecnia aplicada: motores eléctricos y su control. Editorial Trillas.
Ríos, A., & Camacho, P. (2021). Automatización industrial: fundamentos y aplicaciones prácticas. Editorial Alfaomega.
Paginas Consultadas
https://solutionautomation.com.br/mkt/inversor.html
https://www.researchgate.net/publication/307555508_El_variador_de_velocidad_como_metodo_de_arranque_ideal_para_motores_electricos_de_induccion
https://www.osetoreletrico.com.br/queda-de-tensao-na-partida-de-motores-em-sistemas-industriais/
