1.- Lista de componentes
A continuación se muestran los componentes que hemos usado para fabricar nuestro segway. No hemos incluido los elementos estructurales como la carcasa, la madera ni las chapas; solo los elementos de control.
- Puente en H L298: permite controlar el sentido de giro y velocidad mediante señales TTL que se sacan del arduino.
- 2 Motores de 12V DC con 2500rpm con encoder incorporado (sensor para comprobar la posición del motor).
- 2 Arduinos Pro Mini: Uno lo hemos usado para el control del segway y el otro lo hemos usado para la comunicación por radiofrecuencia. Están conectados mediante puerto serie.
- Módulo de radiofrecuencia de 433MHz
- Giróscopo-acelerómetro MPU6050: para medir el ángulo.
- Receptores infrarrojo: para detectar el paso del segway por el cerco.
- Ventilador para refrigerar el puente en H.
- Batería de Litio de 2,2Ah y 3 celdas.
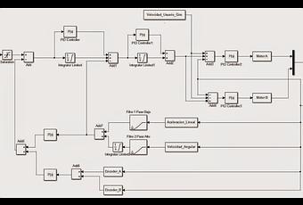
2.- Esquema
A continuación se muestra el esquema de control del segway, ejecuta tres reguladores, uno del ángulo, otro de la velocidad y otro de la aceleración, con sus correspondientes PID y la consigna es la velocidad del usuario a través de la radiofrecuencia.

3.- Proceso de fabricación
Para la fabricación del autobalancín primero tuvimos que tener en cuenta como era el sistema físico y donde tendría que estar el centro de gravedad, así como saber cómo era la inercia del sistema dependiendo de si era más alto o más bajo el segway, concluimos que el peso principal (la batería) tenía que estar en la parte de arriba del segway para que la inercia fuera mayor y costara más caerse. Luego, tuvimos que hacer pruebas a los motores para conocer su comportamiento ante entradas bruscas, así al darle un golpe al segway, éste pudiera mantener el equilibrio y no caerse.En la parte baja del segway y cerca de los motores colocamos el puente en H y el ventilador, en el siguiente piso los dos arduinos y en la parte de arriba, como se ha dicho antes la batería.En los laterales del autobalancín se colocaron los receptores infrarrojos y el módulo de radiofrecuencia.

4.- ProgramaciónPara la programación hemos usado las librerías I2C comunicación de los sensores, el MPU6050 del sensor giróscopo-acelerómetro y la 3Dmath.A continuación os dejo el enlace del código del segway.
5.- Demostración
