Sigo esperando mis registros de desplazamiento 74HC595 de 8 bits, así que se me ha ocurrido hacer un tutorial sobre él, pero como no lo tengo aun voy a hacer uno sobre registros en general, pero dado que los registros están formados por biestables, voy a hacer antes un tutorial sobre biestables, o sea, este.
Los biestables son circuitos secuenciales, es decir, son capaces de almacenar información, ya que las salidas son función de la combinación de las entradas y los datos almacenados en memoria, que a su vez pueden cambiar en función de las entradas.

Un circuito secuencial dispone de un bloque secuencial formado por elementos de memoria que almacenan bits, y un bloque combinacional que recibe las entradas del circuito secuencial y los valores almacenados en los elementos de memoria y genera las salidas y los próximos valores a almacenar en memoria.
BIESTABLES
-SR con puertas NOR

Cuando se activa S (Set) con un 1, en la salida del biestable se genera un 1, si se activa R (Reset) con un 0, se provoca el borrado del biestable. si ninguna de estas entradas estan activas, el biestable almacena el valor (1 o 0) escrito anteriormente. Es evidente, que S y R no deben estar activas simultáneamente.
Las salidas q0 y q1 depende de S y R y de si mismas. Dado que las puertas NOR introducen un cierto tiempo de propagación, podemos distinguir los valores q0 y q1 que tomará de entrada con los valores q0 y q1 que tomará de salida cuando pase este tiempo de propagación. Por lo que llamaremos a esos valores futuros Q0 y Q1 y a los actuales q0 y q1.

La salida S provoca la escritura de un 1 en el biestable y la R la de un 0, y si ninguna esta activa el biestable mantiene su valor.
Los biestables SR tienen las siguientes restricciones:
- Las entradas SR=11 quedan prohibidas, ya que el biestable entra en un situación oscilatoria.
- La duración de los pulsos Set y Reset debe ser superior a 2xT para que las salidas q0 y q1 tomen un valor estable adecuado.
Si se cumple esto, las salidas nunca tomarán el valor 00 ni 11, además el biestable tiene una salida q que muestra el valor almacenado y q negado que muestra el valor complementado.
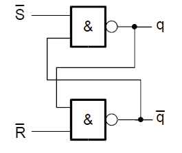
-SR con puertas NAND
Cualquier circuito que se pueda hacer con puertas NOR se puede hacer con puertas NAND


BIESTABLES SINCRONOS
Los biestables anteriores eran ásincronos, es decir, no tienen ningún mecanismo que permita su sincronización, esta viene dada por una línea adicional, llamada línea de reloj, que indica al biestable cuando puede cambiar de estado, es decir, cuando puede cambiar sus salidas.
El uso de biestables síncronos minimiza el riesgo de que se den azares y oscilaciones.
Cuando un biestable síncrono esta habilitado es debido a la señal de reloj, que normalmente será una señal binaria, periódica, cuadrada y alterna.
Existen varios tipos de biestables:
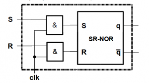
-Disparados por nivel:
Este está constituido por un biestable SR-NOR (biestable asíncrono), dos puertas AND cuyas salidas controlan las entradas SR del biestable asíncrono y cuyas entradas son S y R, y la señal de reloj clk.
Si clk=0, las salidas de las puertas AND son 0 y SR son 00, por lo que el biestable no cambia de estado. Esto es así independientemente de los valores de SR. Si clk=1, las entradas SR actúan directamente sobre el biestable asincrono y este cambiara de estado según los valores de dichas entradas.

Hay dos tipos de biestables disparados por nivel: nivel bajo y nivel alto.

El primero es disparado por nivel alto, es decir, clk=1 habilita el biestable, el segundo es disparado por nivel bajo, es decir, clk=0 habilita el biestable.
-Biestable Maestro-Esclavo
En ocasiones es interesante que los cambios de estado se realicen en instantes muy determinados.
Para esto usamos dos biestables disparados por nivel, donde las salidas del maestro son las entradas del esclavo, y donde solo uno de los dos puede estar activo a la vez por ciclo de reloj, por lo que uno debe ser disparado por nivel alto y el otro por nivel bajo, estando activo en el siguiente ciclo de reloj el que estaba inactivo y viceversa.

-Disparados por el flanco:
Su funcionamiento es similar al maestro-esclavo, ya que la salida q solo cambia en el flanco de subida o en el flanco de bajada.

En el flanco activo (bajado o subida) se leen las entradas que determinan el valor de q para el siguiente ciclo de reloj.
Al inicio, el valor de q es desconocido hasta que llegue su flanco activo.
OTROS BIESTABLES
-Biestable JK: Similar al SR pero J=K=1, es decir JK=11 no está prohibida.

-Biestable T: Igual que el JK pero unimos sus entradas

Biestable D: Almacena el bit que llega por su única entrada

ENTRADAS ASINCRONAS DE LOS BIESTABLES
Son entradas adicionales de las que disponen algunos biestables síncronos- Estas entradas permiten poner el estado a 0 o 1 sin necesidad de esperar a llegar al nivel o flanco activo de la señal de reloj.
Estas entradas son Preset (Pr) y Clear (Cl),la primera pone q a 1 y la segunda a 0. Pueden estar activas en alto o en bajo.

Obviamente no tiene sentido activar ambas entradas a la vez, en tal caso tomaremos solo una como activa.
Si hay un disparo del biestable justo con una entrada asíncrona activa, ese disparo no tiene efecto.
style="display:inline-block;width:728px;height:15px"
data-ad-client="ca-pub-3868159888315364"
data-ad-slot="7639712738">
