Las pruebas de alta tensión abarcan una amplia gama de técnicas en función de la naturaleza del equipo, material, elemento y tipo de prueba requerida. Las pruebas de alta tensión se realizan generalmente para asegurar que el dispositivo pueda operar con seguridad durante su funcionamiento nominal, como una forma de comprobar la eficacia de su aislamiento. El objetivo perseguido durante las pruebas de alta tensión determinará el tipo y cantidad de tensión aplicada, así como la corriente aceptable.
En el caso de los equipos y componentes es necesario conocer su comportamiento ante determinadas sobretensiones, ya que en los sistemas eléctricos, además de las sobretensiones por rayosse presentan sobretensiones transitorias asociadas a las perturbaciones que se producen en ellos, causando durante el tiempo que duren tensiones y corrientes superiores a los del estado estacionario, es por ello que los mayores esfuerzos a que ellos están sometidos se producen durante los transitorios. Las sobretensiones que se presentan en los sistemas eléctricos pueden ser de origen interno o externo las causas que las provocan se muestran en la Fig.1
Fig.1- Origen de Sobretensiones. [1]Los transitorios electromagnéticos de origen interno se deben fundamentalmente al intercambio de energía entre el campo eléctrico y el campo magnético del sistema, estos en general son de breve duración y resultan importantes por las sobretensiones que producen, cualquiera sea su origen, el valor máximo no es el único parámetro que determina la severidad de una sobretensión, también es importante su duración y forma de onda. Debido a la importancia de estos fenómenos es necesario investigar los efectos que ellos producen sobre los elementos y componentes del sistema, así como desarrollar técnicas para la detección y localización de los que puedan haber sido dañados, de ahí la importancia de los laboratorios de alta tensión que son los destinados para realizar estos trabajos.Equipos de prueba.Para entender mejor la función de los equipos de prueba en alta tensión en el mundo, se requiere analizar cuáles fueron las necesidades que originaron los primeros fenómenos y efectos que se observaron sobre los elementos y componentes del sistema dando inicio los estudios en los primeros laboratorios en el pasado. Estos fenómenos se dieron por la ampliación de los sistemas eléctricos, así como la transmisión de grandes cantidades de energía eléctrica desde lugares remotos, lo que creó la necesidad de incrementar continuamente las tensiones en los sistemas eléctricos, convirtiéndose la confiabilidad y la operación segura de éstos en un punto de vital importancia tanto técnico como económico. Las pruebas de alta tensión consisten básicamente en la aplicación deliberada,a un equipo o elemento de un sistema, de una tensión superior a su tensión nominal de trabajo por un periodo de tiempo específico para determinar si el aislamiento del mismo es capaz de soportar o no dicha tensión. Las formas convencionales de los equipos de prueba que se usan en los laboratorios de alta tensión para generar estas tensionesse pueden dividir en tres grupos: · Equipos de prueba a corriente alterna.· Equipos de prueba a corriente continua.· Generadores de impulso.Con estos equipos de prueba se persigue el objetivo de disponer de tensiones y corrientes de prueba, perfectamente controladas, que sean capaces de simular tanto las condiciones normales de trabajo como las sobretensiones que pueden llegar a aparecer en los sistemas eléctricos.El equipo fundamental para las pruebas son los transformadores de prueba que se construyen generalmente en unidades monofásicas con uno de los terminales de alta tensión y el núcleo permanentemente conectado a tierra ya que el objeto a probar normalmente se conecta a tierra. Sin embargo, en numerosos circuitos para la generación de altas tensiones de corriente directa y de impulso se requieren transformadores completamente aislados, en cuyo caso es común conectar a tierra el centro del enrollado de alta tensión, obteniéndose, por tanto, una tensión simétrica respecto a tierra. Desde el punto de vista térmico, regulacióny los KVA de salida, el diseño de los transformadores de prueba de alta tensión convencionales no difieren mucho de los transformadores de potencia. Sin embargo, los transformadores de prueba están sometidos frecuentemente a sobretensiones transitorias debido a las descargas disruptivas delos objetos bajo prueba y su aislamiento, por tanto, deben ser diseñados para soportar dichas condiciones de trabajo.Equipos de prueba a corriente alterna.a. Transformador monofásico: Es el equipo fundamental empleado para realizar las pruebas a corriente alterna; es un transformador con características especiales y utilizado como la fuente para generar las tensiones y corrientes a frecuencia de potencia necesarias para probar los equipos, componentes y aparatos que se instalan en estos sistemas.

Fig. 2. Transformador Elevador de pruebas para corriente alterna Fuente: [2]
Para la selección de sus características técnicas se debe tener en cuenta la tensión y corriente necesarias para los equipos que se someterán a prueba y los ensayos a realizar.
Los modelos en el mercado son variados dependiendo del fabricante; se pueden encontrar diversas marcas como HIPOTRONICS, HAEFELY TEST AG, HUBBEL High Voltage, ASEA, MICAFIL, MESSWANDLERBAU, entre otras. El sistema de prueba está constituido básicamente por un banco de control, transformador regulador de tensión (autotransformador), transformador elevador, divisor capacitivo, esfera de medición (espinterómetro vertical) y equipo bajo prueba. En la Fig. 3 se muestra el esquema de un sistema de prueba típico.

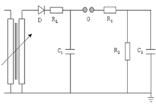
Equipos de prueba a corriente continua.El uso de tensiones de corriente continua ha adquirido últimamente una mayor importancia debido fundamentalmente a los logros que se han alcanzado en la transmisión de esta, dado el desarrollo alcanzado por los sistemas rectificadores y por los sistemas inversores. Esto ha planteado la necesidad de someter a pruebas con tensiones de corriente continua a los equipos y componentes de estos sistemas aunque siempre se han usado en pruebas a cables aislados, capacitores, ya que ellos demandan altas corrientes cuando se prueban con corriente alterna. Las altas tensiones de corriente continua se obtienen a partir de los generadores electrostáticos y de la rectificación de la corriente alterna. Los sistemas a partir de la rectificación de la corriente alterna más comúnmente usados son:· Rectificadores de media onda. · Rectificadores de onda completa. · Multiplicadores de tensión.Equipos de prueba de tensiones de impulso.El esquema básico de los generadores de impulso fue originalmente propuesto por E. Marx en 1924. Los generadores de Marx son probablemente la manera más común de generar los impulsos de alto tensión (ver Fig. 4) para probar cuando el nivel tensiónrequerido por un equipo es el adecuado. [4]Con el generador de impulsos se generan sobretensiones transitorias que simulanlasproducidas por los impactos directos o cercanos de las descargas atmosféricas y las de las operaciones internas del sistema. Estas sobretensiones se caracterizan por ondas viajeras de tensión con un frente de onda de pendiente rápida que suben bruscamente a su valor pico o máximo para luego descender a cero. La forma de onda normalizada desde hace mucho tiempo por la IEC 60060-1 [5] es de 1,2 μs para alcanzar su valor pico y 50 μs para descender al 50% de este valor, especificada como una onda típica de rayo de 1,2/50 μs. Para simular las sobretensiones externa se emplea una onda de 250/2500 μs, esta forma de onda se obtiene fundamentalmente, ajustando los valores de R1 y R2 de la Fig.4.

Tabla 1. Tensiones de prueba a medios aislados de goma Fuente [8] [9].
CLASE VOLTAJE DE ENSAYO A C.A. ( V ) VOLTAJEMÍNIMO DE RUPTURA A C.A.( V ) VOLTAJE DE ENSAYO A C.D. (V) VOLTAJEMÍNIMO DE RUPTURA A C.D.(V)
0 5.000 6.000 20000 35000
1 10.000 20.000 40000 60000
2 20.000 30.000 50000 70000
3 30.000 40.000 60000 80000
4 40.000 50.000 70000 90000
Tabla 2. Niveles básicos de aislamiento Fuente [10]
NIVEL DE TENSIÓN(KV) NIVEL BÁSICO DE AISLAMIENTO (KV)
AISLAMIENTO REDUCIDO AISLAMIENTO PLENO
1.2 30 45
2.5 45 60
5 60 75
8.7 75 95
15 95 110
23 150
34.5 200
Se está claro de que se requiere un sistema de prueba de tensión de impulso de hasta 200kV para poder efectuar todos los tipos de prueba de impulso que requieren los transformadores y los pararrayos de distribución. En las pruebas a aisladores, en dependencia de la clase de aislamiento se requieren tensiones superiores a los 100 kV. Cabe destacar que dependerá de las dimensiones del espacio con que se cuenta para la instalación del mismo. Es por ello que para la selección de las dimensiones del local donde se va a instalar el sistema de pruebas de alta tensión, lo más importante es que se cumplan las medidas de seguridad y entre ellas las distancias de seguridad mínimas requeridas.Estas medidas de seguridad dependen del diseño del laboratorio, pues si se instala en un área abierta es necesario garantizar los límites de aproximación a las partes energizadas mediante vallas o cercas perimetrales, mientras que si se trata de un local cerrado enmalladosólo es necesario garantizar una distancia ligeramente superior a la de la componente eléctrica de seguridad planteada por el American Institute of Electrical Engineers a fin de evitar el salto de una chispa eléctrica a la pared. Debido a esto se estudiaron diversas normas, entre ellas la NFPA 70E [11] norte americana y la española señalada en la guía técnica alto voltaje del IFIC [12].Para el caso de un local abierto y delimitado por una cerca perimetral de poca altura se trabajó con la norma NFPA 70E citada por el reglamento técnico de instalaciones eléctricas de Colombia [13], que especifica los distanciamientos a considerar entre el personal y las partes energizadas de equipos, con el fin de poder trabajar en zonas sin riesgo de arco eléctrico. Las distancias de seguridad para diferentes tensiones se muestran en la Tabla 3.1. Si el laboratorio se fuera a instalar en un área abierta y el personal estuviera separado de los equipos de prueba por una cerca perimetral de una altura menor de la de una persona sería imprescindible cumplir estas especificaciones y el punto energizado máscercano a la cerca debía estar, para tensiones de hasta 220 kV, como mínimo 145 o 160 cm. Estos serían los valores mínimos permisibles para garantizar la seguridad de los operarios y en estecaso, también de los estudiantes querealicen prácticas con dicho equipamiento. Además, esto obliga a definir con exactitud la ubicación de los equipos de prueba dentro del área de ensayo a fin de que se cumpla con esta condición. Para finalizar se deben evaluar los equipos existentes en el mercado según las pruebas a realizar y los esquemas de conexión de estos según para determinar las la altura mínima del local así como el largo y ancho del mismo.
Tabla 3 - Límites de aproximación a partes energizadas de equipos [11].
Tensión nominal del sistema (fase-fase) Límite de aproximación seguro (m) Límite de aproximación restringida (m), incluye movimientos involuntarios Límite de aproximación técnica (m)
Parte móvil expuesta Parte fija expuesta
51V-300V 3,00 1.10 Evitar contactos Evitar contactos
301V-750V 3,00 1.10 0,30 0,025
751V-15kV 3,00 1,50 0,66 0,18
15,1kV-36kV 3,00 1,80 0,78 0,25
36,1kV-46kV 3,00 2,44 0,84 0,43
46,1kV-72,5kV 3,00 2,44 0,96 0,63
72,6kV-121kV 3,25 2,44 1,00 0,81
138kV-145kV 3,35 3,00 1,09 0,94
161kV-169kV 3,56 3,56 1,22 1,07
230kV-242kV 3,96 3,96 1,60 1,45
345kV-362kV 4,70 4,70 2,60 2,44
500kV-550kV 5,80 5,80 3,43 3,28
Servicios que podrá brindar un sistema de pruebas hasta 125 KV Los servicios que brindaría el laboratorio se soportaran sobre ensayos que permitan:a. Brindar servicios a la docencia.b. Efectuar servicios a las empresas de producción. Los servicios a la docencia que se desean brindar son:a. Realización de prácticas de laboratorio sobre ruptura en sólidos, líquidos y gases.b. Evaluación del comportamiento del aislamiento exterior.c. Evaluación de medios y herramientas aisladas.Los servicios a la producción que se desean brindar son con:a. Tensiones de corriente alterna que permitan pruebas a pértigas aislantes, guantes y botas aislantes, pruebas de aislamiento a equipos y componentes de sistemas eléctricos hasta 34,5 kV.b.Tensiones de corriente directa que permitan realizar pruebas de aislamiento a cables aislados, capacitores, etc. hasta 34,5 kV.c.Tensiones de impulso que permitan realizar pruebas a aisladores individuales a pararrayospara líneas de hasta 13,8 kVReferencias:[1]. Dr. Eduardo Omaña., “Sobretensiones en Sistemas de Potencia”, Fundación Universidad Nacional de San Juan Instituto de Energía Eléctrica, 2001.[2]. El Impulso. “El Laboratorio de alta tensión aporta innovaciones tecnológicas”. Vice rectorado UNEXPO Barquisimeto., Disponible en: http://apunexpo.pm-sol.com/pdfdocs/unexpo-impulso/12-11-2010.pdf[3]. Equiweld Andina c.a. Equipamientos electricos, “Laboratorio de alta tensión, High Voltage Laboratory”, Disponible en: http://www.equiweld.net/images/stories/Productos/laboratorio%20de%20alta%20tension.pdf[4]. Laboratorio de ensayos eléctricos industriales. Universidad Nacional de Colombia. Módulo de Impulso GIC. Disponible en: http://www.ing.unal.edu.co/labe/documentos/itension.html[5]. IEC 60060-1. High-voltage test techniques. Part 1: General definitions and test requirements. París. 1989. pp: 76.[6]. Dr.C Juan L. Almirall. “Temas de ingeniería Eléctrica”; Editorial Félix Varela, La Habana, 2004. [7]. Norma Española UNE- EN 60855; comité técnico AEN/CTN 204 Seguridad Eléctrica. Noviembre de 1998.[8]. Norma COVENIN 761: 1997, 1era. Revisión (vigente). CT6 Higiene, Seguridad y Protección. 1997.[9]. Norma Técnica Colombiana, NTC 2219. Guantes aislantes de la seguridad. ICONTEC. Bogotá, 2002[10]. Ing. Juan Almirall Mesa., “Técnica de alto voltaje”, Ministerio de educación superior, La Habana-Cuba,1984. [11]. National Fire Protection Association, Inc. NFPA 70E, Norma para los requisitos de Seguridad Eléctrica de los Empleados en los Lugares de Trabajo. Quincy, Massachusetts 02169. Edición 2000, traducción a: Alejandro M. Llaneza y a Gonzalo Delgadillo Lopez[12]. J. Bernabeu. Guía técnica de recomendaciones para el trabajo con alto voltaje en el IFIC – Instituto de Física Corpuscular, Centro Mixto Universidad de Valencia y CSIC. Unidad Técnica de Electrónica. Valencia, España 2010.][13].Reglamento Técnico de instalaciones Eléctricas (RETIE) Resolución no.18 -1294 de Agosto 06 de 2008, Bogotá, Colombia.
