El hexágono de Saturno, fotografiado por la sonda Cassini desde una distancia de 1'3 millones de kilómetrosTiene un tamaño de 25 000 kilómetros (nuestro planeta tiene menos de 12 800 Km de diámetro) y también ha sido observado el telescopio espacial Hubble en 1990 y por la sonda Cassini en 2006.
Animación del hexágono, con un periodo de rotación de 10 horas, 39 minutos y 25 segundos.
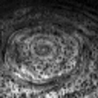
Imagen en color compuesto del hexágono, tomada por la sonda Cassini a una distancia de más de 600 000 Km.
El famoso hexágono, visto desde la Cassini en la longitud de onda de 750 nm a través de un polarizador. Nótese la forma circular del vórtice que se halla en su centro.
Detalle del vórtice circular del centro del hexágono. Fue fotografiado por la sonda Cassini en noviembre de 2012, a unos 400 000 Km del planeta.
El vórtice circular del polo norte de Saturno, en color. Se le estima un diámetro de unos 2000 Km.Pero, ¿cuál es el origen de este misterioso hexágono?
En 2010, los físicos de la Universidad de Oxford Ana Claudia Barbosa Aguiar y Peter Read, lograron reproducir esta peculiar formación atmosférica en un laboratorio. Para ello usaron un tanque de 30 litros de agua rotando a una velocidad moderada y constante sobre una plataforma, recreando así la atmósfera de Saturno. Después generaron una corriente de chorro (que colorearon con un tinte de color verde) y le fueron cambiando la velocidad (siempre mayor que la velocidad del tanque) para así obtener diversas formas en el 'polo norte', así fueron apareciendo elipses, triángulos, cuadrados y… hexágonos.
En el siguiente vídeo podemos ver cómo las corrientes de chorro a latitudes inmediatamente al sur del polo norte crean vórtices que llegan a generar un bonito hexágono:
También en nuestro planeta se han podido observar estructuras similares en los huracanes, si bien no son tan duraderas. Por ejemplo, en septiembre de 2003 fue posible apreciar en las fotografías de satélite del huracán Isabel una forma pentagonal en su ojo, tal y como podemos ver en la siguiente imagen de satélite.
El ojo pentagonal del huracán Isabel, en 2003. Más información en este enlace.Posts relacionados
Saturno, el portador de la vejez
Pero podemos tener que concentrarnos en el octavo satélite… Japeto
Cassini cumple 15 años, selección de imágenes de SaturnoVistas de la Cassini en SaturnoDe vuelta a Encélado: Las Rayas del TigreHiperión, un coral de hielo en SaturnoLa Estrella de la Muerte… en el Sistema SolarAuroras en Saturno (II)Auroras en SaturnoCuarteto de lunas, imágenes de SaturnoAnillos perturbados, lunas pastorasPerturbaciones en los anillos de SaturnoContrastesHaloSombras en los anillos de SaturnoDoble iluminación de Encélado. Últimas imágenes de SaturnoUna epopeya griegaJugando al esconditeMás imágenes de la CassiniLas lunas inquietasUn mundo heladoTest de agudeza visualEl baile de las lunasTitán a contraluzCosta extrañaReflejos en el mar...En las proximidades de Saturno
